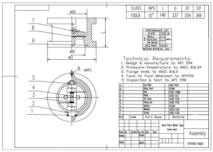
Kleplichaam
|
A352 LCC
|
Schijf
|
API 594
|
Type verbinding
|
Dubbele flens RF
|
Face -to -face dimensie
|
API 594
|
Flens dim
|
ANSI B16.5
|
Teststandaard
|
API 598
|
Druk-temperatuur
|
ANSI B16.34
|
Dual plaat wafelklep
Technische tekening

Belangrijkste kenmerken:
1. Deze 10 "150lb dual plaat wafelklep is geconstrueerd uit LCC-materiaal en biedt verbeterde taaiheid op lage temperatuur en corrosieweerstand.
2. Ontworpen met een wafellichaam en RF -uiteinden, voldoet het aan API -normen voor efficiënte terugstroompreventie en eenvoudige installatie tussen flenzen.