Amoybrand

4 "150lb dubbele plaat wafelklep API594 A995 5A
4 "150lb dubbele plaat wafelklep API594 A995 5A

4 "150lb dubbele plaat wafelklep API594 A995 5A

Dervos biedt een premium wafelklep ontworpen voor veeleisende industriële toepassingen. Gemaakt door A352 LCC, 4 "150lb Wafelklep heeft de structurele kenmerken van dubbele plaat.

  • VENTIEL :

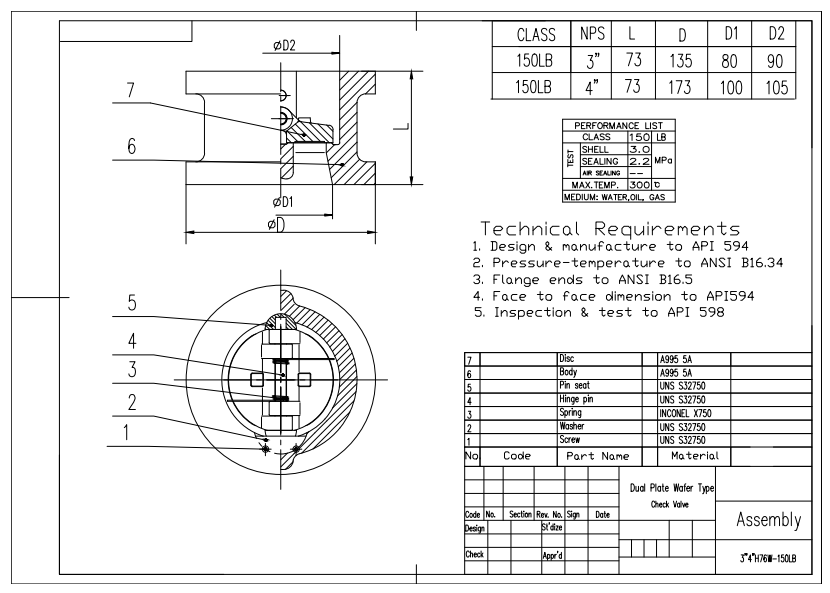
    Wafelklep
  • Wafelklep :

    A995 5A
  • Klepmaat :

    4"
  • Ontwerpstandaard :

    API 594
  • VERBINDING :

    Wafeltype
  • Max.Temp. :

    300 ° C
  • Product detail

 

Dual plaat wafelklep Technische tekening

 

Belangrijkste kenmerken:

1.    Gemaakt van A995 Grade 5A Duplex roestvrij staal, deze 4 "-klep biedt superieure corrosieweerstand in harde omgevingen.

2.    In compliant met API 594 zorgt het Dual Plate Wafer-ontwerp voor efficiënte terugstroompreventie en ruimtebesparende installatie.

Kleplichaam

A995 5A

Schijf

API 594

Type verbinding

Dubbele flens RF

Face -to -face dimensie

API 594

Flens dim

ANSI B16.5

Teststandaard

API 598

Druk-temperatuur

ANSI B16.34

laat een bericht achter

Als u geïnteresseerd bent in onze producten en wilt u meer details weten, laat hier een bericht achter, we zullen u zo snel mogelijk antwoorden.
Leverancier
categorieën

Get Daily Update We zullen uw e-mailadres nooit delen met een derde partij.

laat een bericht achter
Als u geïnteresseerd bent in onze producten en wilt u meer details weten, laat hier een bericht achter, we zullen u zo snel mogelijk antwoorden.