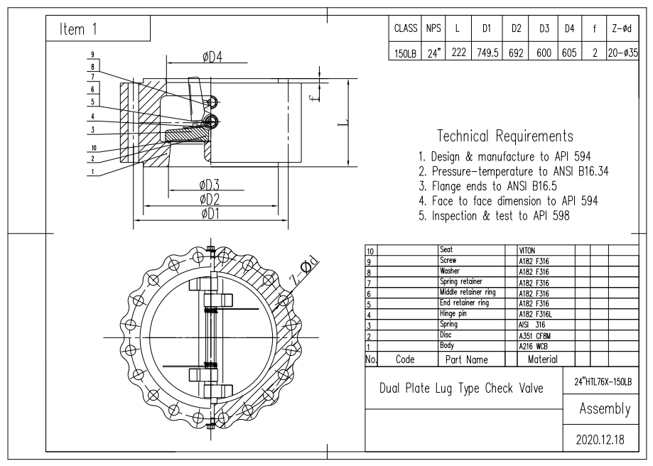
Kleplichaam
|
A216 WCB
|
Schijf
|
API 594
|
Type verbinding
|
Lug
|
Face -to -face dimensie
|
API 594
|
Flens dim
|
ANSI B16.5
|
Teststandaard
|
API 598
|
Druk-temperatuur
|
ANSI B16.34
|
Dual plaat wafelklep
Technische tekening

Belangrijkste kenmerken:
1. Gemaakt van duurzaam WCB -materiaal, deze 24 "-klep zorgt voor hoge sterkte en betrouwbare prestaties in matige druksystemen.
2. Het wafelontwerp met dubbele plaat van het lug-type voldoet aan API 594, waardoor compacte installatie en effectieve terugstroompreventie wordt geboden.