Amoybrand

10 "150lb API594 Dual Plate Wafer -terugslagklep CF8M
10 "150lb API594 Dual Plate Wafer -terugslagklep CF8M

10 "150lb API594 Dual Plate Wafer -terugslagklep CF8M

Dervos biedt een premium wafelklep ontworpen voor veeleisende industriële toepassingen. Gemaakt door A351 CF8M, 10 "150lb Wafelklep heeft de structurele kenmerken van dubbele plaat.

  • VENTIEL :

    Wafelklep
  • Lichaamsmateriaal :

    Lichaamsmateriaal
  • Klepmaat :

    10’’
  • Ontwerpstandaard :

    API 594
  • VERBINDING :

    Wafer RF -type
  • Max.Temp. :

    200 ° C
  • Product detail

 

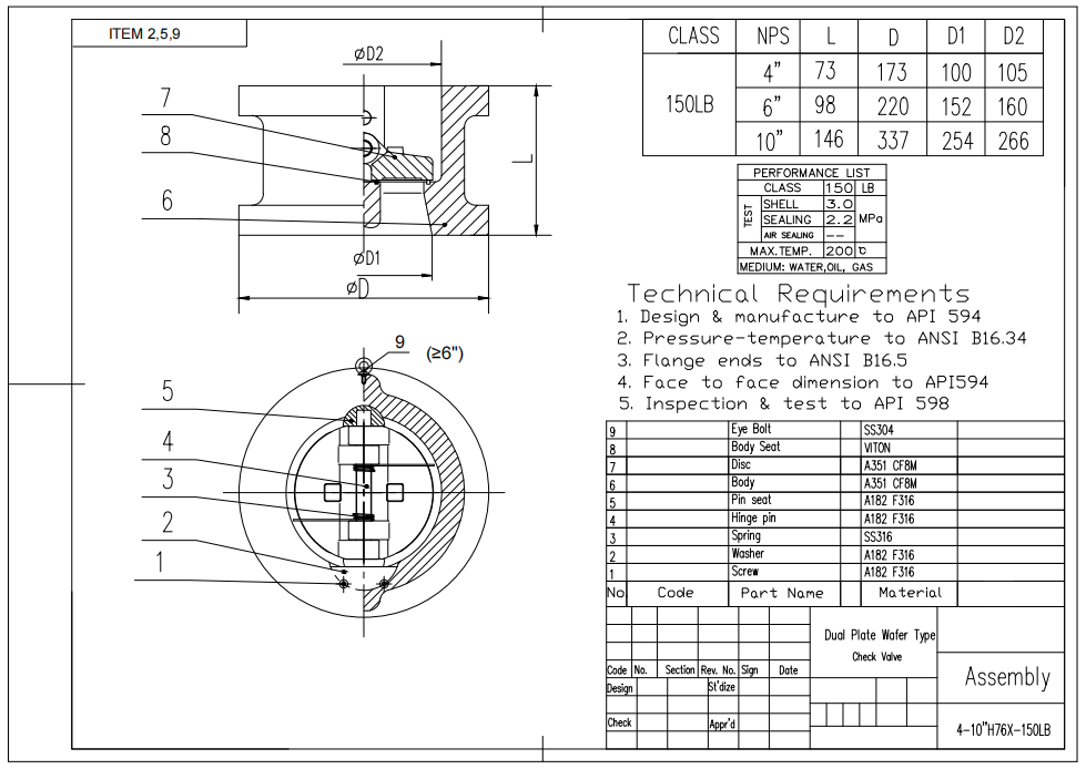
Dual plaat wafelklep Technische tekening

 

Belangrijkste kenmerken:

1.    Deze 10 "Dual Plate Wafer -terugslagklep is geconstrueerd uit CF8M roestvrij staal en zorgt voor superieure corrosieweerstand en duurzaamheid in een breed scala aan toepassingen.

2.    In totaal API 594 heeft deze klep een dubbele plaatontwerp dat betrouwbare terugstroompreventie en ruimtebesparende installatie biedt.

Kleplichaam

A35 1 CF8M

Schijf

API 594

Type verbinding

Wafer RF -type

Face -to -face dimensie

API 594

Flens dim

ANSI B16.5

Teststandaard

API 598

Druk-temperatuur

ANSI B16.34

laat een bericht achter

Als u geïnteresseerd bent in onze producten en wilt u meer details weten, laat hier een bericht achter, we zullen u zo snel mogelijk antwoorden.
Leverancier
categorieën

Get Daily Update We zullen uw e-mailadres nooit delen met een derde partij.

laat een bericht achter
Als u geïnteresseerd bent in onze producten en wilt u meer details weten, laat hier een bericht achter, we zullen u zo snel mogelijk antwoorden.