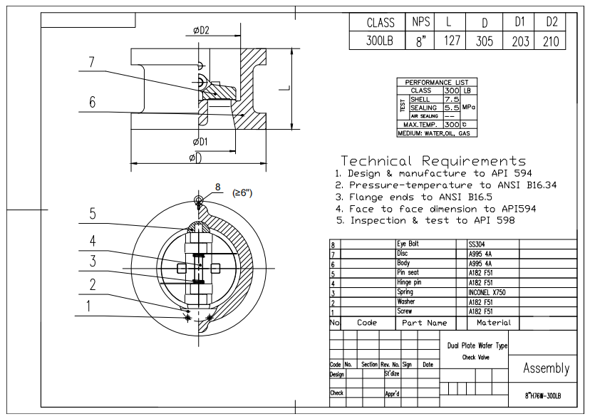
Kleplichaam
|
A995 4A
|
Schijf
|
API 594
|
Type verbinding
|
Wafer RF
|
Face -to -face dimensie
|
API 594
|
Flens dim
|
ANSI B16.5
|
Teststandaard
|
API 598
|
Druk-temperatuur
|
ANSI B16.34
|
Dual plaat wafelklep
Technische tekening

Belangrijkste kenmerken:
1. Vervaardigd uit A995 Grade 4A Duplex roestvrij staal, deze 8 "-klep biedt uitstekende mechanische sterkte en corrosieweerstand.
2. Ontworpen aan API 594-normen, maakt de wafelsstructuur met dubbele plaat compacte installatie en betrouwbare niet-returnprestaties onder de druk van 300 pond mogelijk.